
1、概述
TD系列LVDT传感器为六线制LVDT,其工作原理:铁芯可移动的差动变压器,它产生的电量输出与其分离式可动铁芯位移成正比,从而进行位移的自动监测和控制,它在机械、电力、汽车、航天航空、冶金、能源、水利等行业的工矿企业、国防工程和科研院所等诸方面获得了广泛的应用。
该传感器动态特性好,可用于高速在线检测:结构简单、体积小;工作可靠、使用维护方便、寿命长;非线性度好、重复精度高。
TD系列传感器可以匹配各种进口变送器(卡件板),各项技术性能与进口传感器相同,可以替代进口传感器。具体型号可分为:400TD、500TD、700TD、1000TD、1500TD、2000TD、3000TD、4000TD、5000TD、6000TD、7000TD、8000TD、10000TD、12000TD、14000TD、16000TD。
产品出厂时可配有变送器,订货时请说明。
2、用途
适用于油动机行程、阀位的监测和保护。
3、技术参数
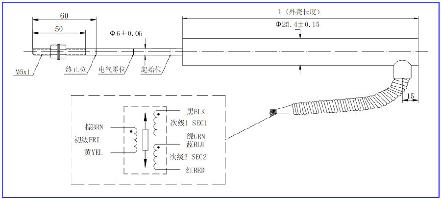
n 线性量程:0~800mm,共16种规格(详见技术指标及尺寸表)。
n 非线性度:不大于0.5% F·S 。
n 初级阻抗:不小500Ω(振蒎频率为3kHz)。
n 工作温度:普通型-40℃~+150℃;高温型-40℃~+210℃(+250℃持续30分钟)。
n 温漂系数:小于0.03% F·S / ℃。
n 激励电压:3Vr ms(1~5 Vr ms)。
n 激励频率:2.5 kHz(400Hz~10 kHz)。
n 引出线:六根特氟隆绝缘护套线,外有不锈钢护套软管。
n 耐受振动:20g(可达2 kHz)。
n 执行标准:参照JJF 1305-2011 。

技术指标及尺寸表
4、外形及安装尺寸

TD系列LVDT位移传感器外形尺寸图

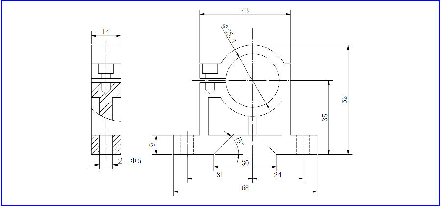
安装支架图
5、订货指南
订货代号: A□□□□-B□□-C□□-D□□
注:TDG表示高温型LVDT传感器,TDN表示耐磨型LVDT传感器,TDGN表示高温耐磨型LVDT传感器。
传感器行程选择:A□□□□(直接填写行程,单位为mm)
传感器引线长度选择:B□□(直接填写引线长度单位为0.1m,默认为1m)
引线方式选择:C□□
*01:直接引线
02:航空插头引线
配套变送器选择:D□□
*01:不配变送器
02:配变送器(注明订货代号,参见XCBSQ系列或LTM系列行程变送器订货指南
标示*为出厂默认值,如有特殊要求,请在订货时说明。
综合举例:订货代号为“3000TD-10-01-01的产品是指行程150mm、直接引线且引线长度为1m且不配相应变送器的TD系列LVDT位移传感器。