XCBSQ系列LVDT变送器

首页 / 无锡河埒传感器 / 变送器  最后编辑时间:2021-05-27



1概述

 XCBSQ系列LVDT变送器是针对三线制和六线制LVDT而设计,具有精度高、性能稳定、抗干扰能力强、可靠性高等特点。适合阀位行程的监视,已广泛应用于电力、机械、化工和冶金等企业。产品执行标准参照GB/T17614.1-2008GB/T17614.2-2008

2用途
 适用于三线制或六线制LVDT输出信号的解调和放大。

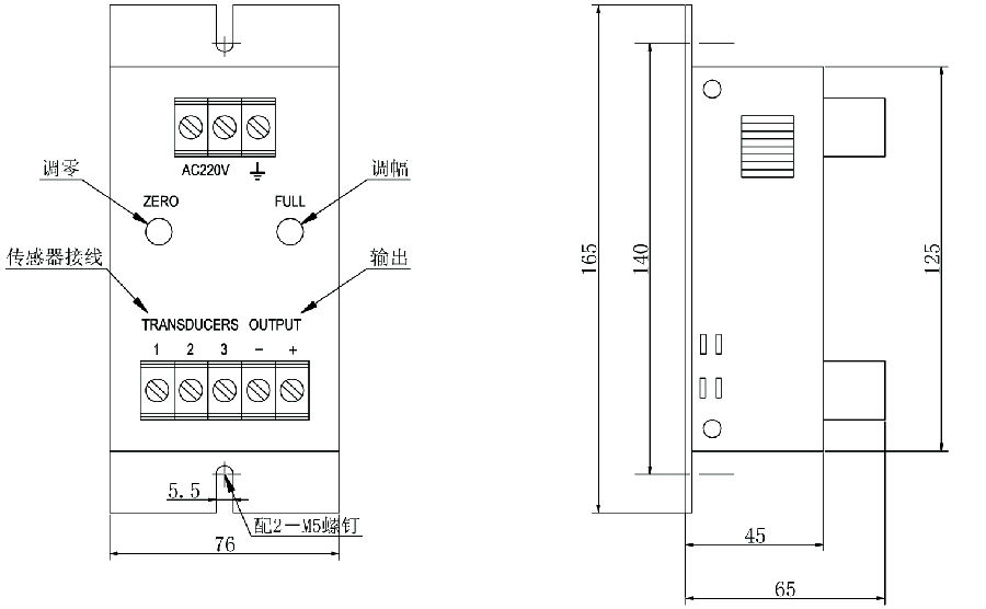
3接线示意图

DC24V变送器
TD-1TD-2UT-81系列三线制变送器

TDTK系列六线制变送器


AC220V变送器
TD-1TD-2UT-81系列三线制变送器(单路输出)。

TD-1TD-2UT-81系列三线制变送器(双路输出)。


订货指南

订货代号:XCBSQ-A□□/□□-B□□-C□□

传感器选择:A□□/□□□(/后面直接填写传感器行程,单位为mm,正负行程加“±”标识)

01:六线制TD/TK系列位移传感器
02
:三线制TD-1系列位移传感器
03
:三线制TD-2系列热膨胀传感器
04
:三线制UT81系列油箱油位传感器

电源选择:B□□
01
:直流24V
02
:交流220V

输出选择:C□□01:单路4~20mA
02
:单路1~5V

11:双路4~20mA

22:双路1~5V      

124~20mA0~5V输出

00:定制

综合举例:订货代号为“XCBSQ-03/035-01-01的产品指以DC24V为电源、配置35mm行程TD-2系列热膨胀传感器、单路输出4~20mAXCBSQ系列LVDT变送器。

代码

传感器选择

行程选择(mm)

电源选择

输出选择

DC24V

AC220V

单路

单路

双路

双路

0~5V

定制

4~20mA

1~5V

4~20mA

1~5V

4~20mA

XCBSQ

TD/TK系列

01

50~1000

01

不可选

01

02

11

22

12

00

TD-1系列

02

20~600

01

02

01

02

11

22

12

00

TD-2系列

03

25~80

01

02

01

02

11

22

12

00

UT-81

系列

04

士100~ 士400

01

02

01

02

11

22

12

00




产品推荐
MG不朽情缘
  • 网站地图